宽频带超声波局放巡检仪因其能够覆盖广泛的超声波频
率范围而受到电力行业技术人员的青睐。这种设备通常能够检测20kHz至200kHz之间的超声波信号,这对于局部放电检测非常有用。下面是一篇关于宽频带超声波局放巡检仪的文章概述:
宽频带超声波局放巡检仪
引言
随着电力系统复杂度的增加和对电力设备维护要求的提高,局部放电检测技术成为了确保电力系统安全运行的重要手段。局部放电不仅会导致电力设备的绝缘性能下降,还可能引发严重的安全事故。因此,开发一种能够覆盖广泛超声波频率范围的宽频带局放巡检仪变得尤为重要。
产品概述
名称:宽频带超声波局放巡检仪
型号:[具体型号]
制造商:[制造商名称]
主要特点
宽频带:该巡检仪采用先进的超声波传感器,能够捕捉到20kHz至200kHz之间的超声波信号。
高灵敏度:灵敏度可达[具体数值]dB以上,能够捕捉到微弱的超声波信号。
便携式设计:轻巧便于携带,适合现场作业。
多功能显示:具备高清彩色液晶显示屏,显示检测结果和设置参数。
内置存储:可以保存大量检测数据供后续分析。
长电池寿命:支持长时间不间断工作。
快速定位:通过声音指示和数值显示帮助定位放电源。
工作原理
超声波检测:当局部放电发生时,会产生超声波信号,这些信号可以通过超声波传感器捕捉。
信号放大与处理:传感器捕捉到的信号经过放大和数字信号处理,以增强信号并去除干扰。
显示与分析:处理后的信号被转换为可视化的数据和图表,在屏幕上显示出来,方便技术人员进行分析。
技术参数
检测频率:20kHz至200kHz
灵敏度:≥100dB
动态范围:≥60dB
电池续航:≥8小时
显示屏:高清彩色LCD,分辨率[具体分辨率]
尺寸重量:[具体尺寸]×[具体宽度]×[具体厚度],重量[具体重量]kg
工作温度:-20℃至+50℃
存储温度:-40℃至+70℃
应用场景
电力变压器:检测变压器内部的局部放电现象。
开关柜:包括高压开关柜和环网柜。
电缆接头:检查电缆接头和终端的绝缘情况。
GIS/GCB:检测气体绝缘开关设备中的局部放电。
电机:评估电机的绝缘状态。
使用说明
开机:按下电源键启动设备。
设置:调整检测频率、灵敏度等参数。
检测:将探头靠近待测设备,观察屏幕显示。
定位:根据声音提示和数值显示进行放电源定位。
数据记录:保存检测数据。
关机:检测完毕后,长按电源键关闭设备。
维护保养
清洁:使用柔软的布擦拭设备表面。
存放:存放在干燥通风的地方。
校准:定期进行设备校准。
安全注意事项
操作前阅读:请仔细阅读用户手册。
防护措施:穿戴必要的个人防护装备。
禁止触摸:不要触摸高压设备。
宽频带的优势
覆盖更广的信号范围:宽频带的设计使得巡检仪能够捕捉到更多类型的局部放电信号,提高了检测的全面性。
更高的检测精度:不同的局部放电事件可能会产生不同频率的超声波信号,宽频带设计有助于提高检测精度。
更好的干扰抑制:通过覆盖更宽的频率范围,可以更好地过滤掉来自外部环境的干扰信号。
结论
宽频带超声波局放巡检仪是电力系统维护中的重要工具,它能够帮助技术人员早期发现潜在的局部放电问题,从而采取预防措施,确保电力系统的安全稳定运行。
以上是关于宽频带超声波局放巡检仪的一个典型文章概述。具体的产品特性和参数可能会有所不同,取决于不同的制造商和型号。如果您需要了解某一特定型号的详细信息,请提供具体的型号名称或其他相关信息。
![]()
高灵敏度超声波局放巡检仪能够捕捉到微弱的超声波信号
这对于电力系统的维护和故障诊断非常重要。下面是一篇关于高灵敏度超声波局放巡检仪的文章概述:
高灵敏度超声波局放巡检仪
引言
随着电力系统规模的不断扩大和对电力设备可靠性的日益重视,局部放电检测技术成为电力设备维护的关键环节。局部放电不仅会导致电力设备的绝缘性能下降,还可能引发严重的安全事故。因此,开发一种能够捕捉到微弱超声波信号的高灵敏度局放巡检仪显得尤为重要。
产品概述
名称:高灵敏度超声波局放巡检仪
型号:[具体型号]
制造商:[制造商名称]
主要特点
高灵敏度:该巡检仪采用先进的超声波传感器,能够捕捉到微弱的超声波信号,灵敏度可达[具体数值]dB以上。
宽频带:覆盖广泛的超声波频率范围,通常为20kHz至200kHz,甚至更高。
便携式设计:轻巧便于携带,适合现场作业。
多功能显示:具备高清彩色液晶显示屏,显示检测结果和设置参数。
内置存储:可以保存大量检测数据供后续分析。
长电池寿命:支持长时间不间断工作。
快速定位:通过声音指示和数值显示帮助定位放电源。
工作原理
超声波检测:当局部放电发生时,会产生超声波信号,这些信号可以通过超声波传感器捕捉。
信号放大与处理:传感器捕捉到的信号经过放大和数字信号处理,以增强信号并去除干扰。
显示与分析:处理后的信号被转换为可视化的数据和图表,在屏幕上显示出来,方便技术人员进行分析。
技术参数
检测频率:20kHz至200kHz
灵敏度:≥100dB
动态范围:≥60dB
电池续航:≥8小时
显示屏:高清彩色LCD,分辨率[具体分辨率]
尺寸重量:[具体尺寸]×[具体宽度]×[具体厚度],重量[具体重量]kg
工作温度:-20℃至+50℃
存储温度:-40℃至+70℃
应用场景
电力变压器:检测变压器内部的局部放电现象。
开关柜:包括高压开关柜和环网柜。
电缆接头:检查电缆接头和终端的绝缘情况。
GIS/GCB:检测气体绝缘开关设备中的局部放电。
电机:评估电机的绝缘状态。
使用说明
开机:按下电源键启动设备。
设置:调整检测频率、灵敏度等参数。
检测:将探头靠近待测设备,观察屏幕显示。
定位:根据声音提示和数值显示进行放电源定位。
数据记录:保存检测数据。
关机:检测完毕后,长按电源键关闭设备。
维护保养
清洁:使用柔软的布擦拭设备表面。
存放:存放在干燥通风的地方。
校准:定期进行设备校准。
安全注意事项
操作前阅读:请仔细阅读用户手册。
防护措施:穿戴必要的个人防护装备。
禁止触摸:不要触摸高压设备。
结论
高灵敏度超声波局放巡检仪是电力系统维护中的重要工具,它能够帮助技术人员早期发现潜在的局部放电问题,从而采取预防措施,确保电力系统的安全稳定运行。
![]()
超声波局放检测仪
超声波局放检测仪是一种用于检测电力设备中局部放电现象的专业工具。这种检测仪利用超声波传感器来捕捉局部放电过程中产生的声学信号,从而帮助识别和定位潜在的绝缘问题。下面是关于超声波局放检测仪的一篇文章概要。
超声波局放检测仪
局部放电(Partial Discharge, PD)是指在电力设备的绝缘系统中,当外加电压达到一定程度时,局部区域发生的放电现象。这种现象通常发生在高压设备中,如变压器、开关柜、电缆终端等,可能导致设备性能下降甚至失效。超声波局放检测仪能够有效地检测这些局部放电现象,帮助维护人员及早发现并解决问题。
工作原理
超声波局放检测仪的工作原理基于局部放电过程中产生的声学信号。当局部放电发生时,除了电磁辐射之外,还会产生一系列的声学效应,包括超声波信号。这些信号可以被超声波传感器捕捉到,并通过内置的信号处理技术进行分析。
具体步骤如下:
信号捕捉:超声波传感器捕捉局部放电过程中产生的超声波信号。
信号放大:微弱的超声波信号通过前置放大器进行放大。
信号过滤:通过滤波器去除背景噪声,只保留有效的超声波信号。
信号分析:通过软件对信号进行分析,识别出局部放电的特征。
定位与评估:根据信号强度的变化和超声波的方向性,定位局部放电的位置,并评估其严重程度。
主要功能
超声波检测:通过超声波传感器捕捉局部放电产生的声学信号。
激光定位:使用激光指示器辅助定位局部放电的具体位置。
图像采集:结合摄像头拍摄局部放电区域的图像。
波形记录:记录局部放电的波形,供进一步分析。
智能云系统:上传数据至云端,进行远程分析和支持。
使用场景
变压器:检测变压器内部的局部放电。
开关柜:检测开关柜中的局部放电。
电缆终端:检测电缆终端和接头的局部放电。
气体绝缘开关设备(GIS):检测GIS中的局部放电。
电力电缆:检测电力电缆中的局部放电。
操作步骤
开机与设置:打开检测仪,根据手册指导设置好仪器的基本参数。
连接传感器:根据检测需求连接合适的超声波传感器。
扫描检测:手持仪器对目标设备进行扫描,寻找局部放电的信号。
信号分析:通过耳机监听超声波信号,观察显示屏上的波形。
定位与记录:使用激光指示器帮助定位放电位置,并记录数据。
数据分析:利用内置软件或外部软件进行数据分析,判断放电的性质和严重程度。
注意事项
环境因素:注意检测环境的噪声水平,尽量选择安静的环境进行检测。
传感器选择:根据被测设备的类型选择合适的超声波传感器。
安全操作:遵循安全规程,确保在检测过程中的人身安全。
仪器校准:定期对检测仪进行校准,确保检测结果的准确性。
结论
超声波局放检测仪是电力系统维护和故障预防的重要工具之一。通过对局部放电现象的有效检测,可以及早发现绝缘系统中的问题,从而采取必要的措施延长设备的使用寿命并保证电网的安全稳定运行。
参考文献
环保在线:超声波局放巡检仪检测原理讲解。
百度经验:如何使用SDT超声波检测仪电气局放检测(1)。
知乎:手持式超声波局放检测仪市场现状及未来发展趋势。
搜狐网:超声波局放检测仪原理。
![]()
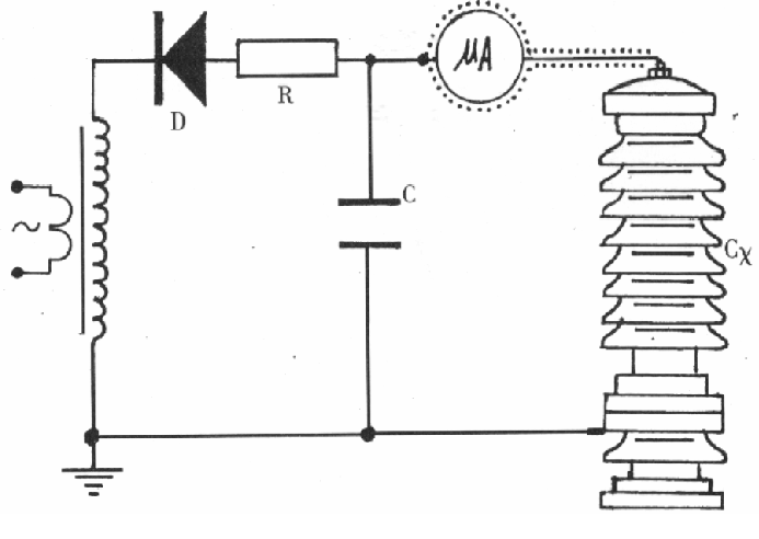
模拟局部放电测试仪
模拟局部放电测试仪是一种用于实验室条件下模拟和检测局部放电现象的专业设备。这类测试仪通常用于电力设备的研发、生产和维护过程中,以评估和确保设备的绝缘性能。下面是一篇关于模拟局部放电测试仪的文章概要。
模拟局部放电测试仪
引言
局部放电(Partial Discharge, PD)是高压电气设备中常见的现象,尤其是在绝缘系统中存在缺陷或损伤的情况下更为常见。模拟局部放电测试仪能够模拟实际运行条件下的局部放电现象,帮助工程师和研究人员更好地理解和评估电力设备的绝缘性能。
工作原理
模拟局部放电测试仪的工作原理基于对局部放电过程中产生的物理效应进行模拟和检测。主要步骤包括:
产生校准脉冲:通过校准脉冲发生器产生规定的脉冲电压,模拟局部放电时的视在放电电荷。
信号提取:通过耦合电容器或其他传感器将局部放电产生的脉冲电流信号提取出来。
信号处理:对提取到的信号进行放大、滤波等处理,以去除噪声干扰。
数据分析:通过专业的分析软件对处理后的信号进行分析,以确定局部放电的程度和性质。
主要特点
模拟真实环境:能够模拟实际运行条件下的电压和电流环境,以测试设备在特定条件下的表现。
多种检测方法:支持多种检测技术,如超声波检测、脉冲电流法、宽频带脉冲电流检测法等。
灵活的测试配置:可以根据不同的测试需求进行灵活配置,如选择不同的测试电压、频率等。
高精度检测:采用先进的信号处理技术和精密的传感器,确保检测结果的准确性和可靠性。
关键组件
校准脉冲发生器:用于产生特定波形的脉冲电压,模拟局部放电时的视在放电电荷。
耦合电容器:用于从高压侧提取局部放电产生的脉冲电流信号。
输入单元:负责将提取的信号转换为可供后续处理的形式。
前置放大器:用于放大微弱的脉冲信号。
滤波器:用于选择特定频率范围内的信号,以去除不必要的噪声干扰。
检测方法
超声波检测法:利用超声波传感器检测局部放电产生的声波信号。
常规脉冲电流法:通过检测局部放电产生的脉冲电流来评估放电程度。
宽频带脉冲电流检测法:采用更宽的频带范围来检测脉冲电流信号,以获取更多的信息。
油中溶解气体分析法(DGA法):通过分析变压器油中溶解的气体成分来间接判断局部放电的存在。
应用领域
电力系统:用于变电站、输电线路、电缆等设备的局部放电检测。
制造行业:用于生产过程中的质量控制,例如变压器、电机等产品的出厂检验。
科研机构:用于研究高压电气设备的绝缘性能和老化特性。
教育领域:用于教学和培训,帮助学生理解局部放电的概念及其影响。
操作步骤
准备工作:连接测试装置,设置测试参数,如测试电压、频率等。
校准:使用校准脉冲发生器进行校准,确保测试系统的准确性。
测试:逐渐增加电压,观察局部放电现象。
数据分析:记录测试数据,使用专业软件进行分析,确定局部放电的程度和类型。
结论:根据测试结果评估设备的绝缘状态,提出改进建议或维护计划。
结论
模拟局部放电测试仪是电力设备研发、生产和维护中不可或缺的工具。通过模拟实际运行条件下的局部放电现象,可以帮助工程师和技术人员更好地理解电力设备的绝缘性能,进而采取适当的措施预防设备故障,确保电力系统的安全稳定运行。
![]()
互感器局部放电检测装置:确保电力系统的可靠运行
互感器是电力系统中的重要元件,用于将高电压或大电流转换成低电压或小电流,以便于测量和保护。由于其在电力系统中的关键作用,互感器的运行安全性和可靠性至关重要。局部放电(Partial Discharge, PD)是影响互感器性能的一个重要因素,互感器局部放电检测装置则成为一种重要的检测工具,用于监测和评估互感器的绝缘状况。
工作原理
互感器局部放电检测装置的工作原理是捕捉和分析互感器内部局部放电时产生的多种信号。这些信号可以通过耦合电容或其他类型的传感器捕捉,并被转换为电信号,随后被送入测试仪进行放大、处理和分析。具体的工作流程如下:
信号采集:通过耦合电容或其他类型的传感器捕捉局部放电产生的信号。
信号放大:低噪声前置放大器放大信号。
信号处理:使用模拟或数字信号处理技术对信号进行滤波和分析。
结果显示:在显示屏上以图形形式呈现放电脉冲的波形、频率分布等信息。
数据分析:内置软件自动识别放电类型并给出建议。
构造
互感器局部放电检测装置通常包括以下几个主要部分:
传感器:用于捕捉局部放电产生的信号,如耦合电容、高频电流传感器(HFCT)等。
信号处理模块:包括前置放大器、滤波器等,用于处理传感器捕捉到的信号。
显示与控制界面:包括显示屏和操作按钮,用于显示检测结果和控制检测过程。
电源模块:包括电池和充电接口,用于供电。
数据存储与传输:内置存储器和USB接口,用于数据存储和传输。
使用方法
开机准备:检查电池电量,确保传感器连接正确。
选择检测模式:根据检测对象的不同,选择合适的检测模式。
连接传感器:将传感器置于待测互感器的适当位置。
采集数据:启动仪器开始采集数据。
数据分析:观察显示屏上的信号强度、波形等特征。
结果记录:记录下异常读数及其位置。
后续措施:如果检测到异常,则需要进一步的诊断或维修措施。
注意事项
安全操作:在进行检测之前,确保遵守所有安全规程。
环境因素:尽量在安静的环境中进行检测,以减少背景噪声的影响。
设备检查:使用前检查电池电量、日期、时间和功能是否正常。
信号检查:确保耳机内发出轻微、均匀的电噪声,测试界面上曲线绘制区域显示中心线对准0dB,平均值低10dB。
保存结果:确认无误后进行存储,以便后期管理和分析。
特点
抗干扰能力:先进的数字信号处理技术可以有效抑制背景噪声。
高灵敏度:能够捕捉到微弱的局部放电信号。
直观显示:通过显示屏直接显示信号波形,易于直观判断。
操作简便:界面友好,便于现场操作。
多功能集成:支持多种检测模式,适应不同类型的互感器。
应用领域
互感器局部放电检测装置广泛应用于多个领域:
电力系统:用于电压互感器和电流互感器的状态监测。
制造业:用于制造过程中互感器的质量控制。
科研机构:用于新材料和新技术的研究开发。
结论
互感器局部放电检测装置是一种重要的诊断工具,可以帮助电力工程师及时发现和解决互感器中的潜在问题,从而提高电力系统的可靠性和安全性。随着技术的发展,这类检测装置将继续在电力系统的维护中发挥重要作用。
![]()
三通道局部放电测试仪:提高电力设备的检测效率
局部放电(Partial Discharge, PD)是电力设备绝缘系统中常见的现象,特别是在高压设备中更为常见。它可能会导致设备性能下降,甚至引发故障。为了预防此类问题的发生,电力行业广泛采用局部放电测试仪来监测和评估设备的绝缘状态。本文将重点介绍三通道局部放电测试仪的特点、应用以及操作方法。
基本原理
三通道局部放电测试仪是专门设计用于检测电力设备局部放电活动的仪器。它可以通过三个独立的通道同时采集和分析来自不同类型的传感器的信号。这使得技术人员能够在同一时间内从多个角度评估设备的局部放电状态,从而更准确地定位和评估潜在的问题。
技术特点
三通道局部放电测试仪通常具备以下技术特点:
多通道采集:至少具备三个独立的信号采集通道,每个通道可以连接不同类型或不同位置的传感器。
高灵敏度:能够检测到微弱的局部放电信号,最小可检测到几个皮库伦(pC)的放电量。
多模式显示:支持椭圆扫描、直线显示等多种显示模式,帮助用户更好地理解放电特性。
数据存储与分析:内置存储功能,可以保存检测数据和波形,方便后期分析。
操作便捷:通常配备有彩色液晶显示屏和简单的操作界面,便于现场操作。
构造
典型的三通道局部放电测试仪包括:
传感器:如超声波传感器(US)、高频电流传感器(HFCT)等。
信号采集单元:包括前置放大器、滤波器等。
信号处理与显示模块:包括数字信号处理器(DSP)、液晶显示屏等。
电源模块:内置电池或外部电源适配器。
应用场景
三通道局部放电测试仪广泛应用于以下场景:
电力设备维护:用于电力变压器、GIS(气体绝缘开关设备)、电缆终端头等设备的定期检测。
质量控制:在电力设备制造过程中进行质量检验。
科学研究:在实验室环境下研究新型绝缘材料的性能。
操作方法
以下是使用三通道局部放电测试仪的一般步骤:
准备工作:
检查测试仪电池电量,确保充足。
准备好相应的传感器,并确保它们处于良好工作状态。
连接传感器:
将传感器安装在被测设备上,确保接触良好。
连接传感器与测试仪的相应通道。
设置测试参数:
根据需要调整测试仪的显示模式、采样率等参数。
设置适当的触发水平,以便捕捉到放电信号。
开始测试:
开始记录数据,注意观察显示屏幕上的波形变化。
数据分析:
分析波形,记录下任何异常现象。
使用内置软件或导出数据到计算机进行进一步分析。
报告编制:
根据分析结果编制检测报告,并提出必要的建议或整改措施。
注意事项
在进行测试之前,确保遵循所有的安全操作规程。
对于复杂的测试场景,可能需要专业人员进行指导。
测试结束后,应断开传感器与设备的连接,并关闭测试仪。
结论
三通道局部放电测试仪因其高效、准确的特点,在电力行业的维护和管理中扮演着重要角色。通过对电力设备进行定期检测,可以有效地预防故障的发生,保障电力系统的稳定运行。
![]()